Product Summary
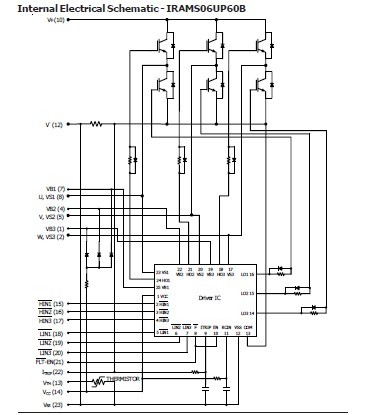
International Rectifier’s IRAMS06UP60B is an Integrated Power Module developed and optimized for electronic motor control in appliance applications specifically for VF compressor drives for refrigerators and freezer or in heating and ventilation as electronic fan controls. The IRAMS06UP60B offers an extremely compact, high performance AC motor-driver in a single isolated package for a very simple design.
Parametrics
IRAMS06UP60B absolute maximum ratings: (1)Maximum IGBT Blocking Voltage, VCES: 600V; (2)Positive Bus Input Voltage, V+: 450V; (3)RMS Phase Current, Io @ TC=25℃: 6A; (4)RMS Phase Current, Io @ TC=100℃: 3A; (5)Max Peak Phase Current (tp<100ms), Ipk: 9A; (6)Maximum PWM Carrier Frequency, Fp: 20kHz; (7)Maximum Power dissipation per Phase, Pd: 7.5W; (8)Isolation Voltage (1min), Viso: 2000VRMS; (9)(IGBT & Diodes) Operating Junction temperature Range, TJ: -40 to +150℃; (10)(Driver IC) Operating Junction temperature Range, TJ: -40 to +150℃; (11)Mounting torque Range (M3 screw), T: 0.8 to 1.0Nm.
Features
IRAMS06UP60B features: (1)Internal Shunt Resistor; (2)Integrated Gate Drivers and Bootstrap Diodes; (3)Temperature Monitor; (4)Overcurrent shutdown; (5)Fully Isolated Package; (6)Low VCE(on) Non Punch Through IGBT Technology; (7)Undervoltage lockout for all channels; (8)Matched propagation delay for all channels; (9)Schmitt-triggered input logic; (10)Cross-conduction prevention logic; (11)Lower di/dt gate driver for better noise immunity; (12)Motor Power range 0.1 to 0.5kW/85 to 253Vac; (13)Isolation 2000VRMS /1min.
Diagrams

| Image | Part No | Mfg | Description | ![]() |
Pricing (USD) |
Quantity | ||||||||||||
|---|---|---|---|---|---|---|---|---|---|---|---|---|---|---|---|---|---|---|
![]() |
![]() IRAMS06UP60B |
![]() International Rectifier |
![]() Motor / Motion / Ignition Controllers & Drivers |
![]() Data Sheet |
![]()
|
|
||||||||||||
![]() |
![]() IRAMS06UP60B-2 |
![]() International Rectifier |
![]() Motor / Motion / Ignition Controllers & Drivers |
![]() Data Sheet |
![]()
|
|
||||||||||||
(Hong Kong)






